পণ্য
API চেক ভালভ
  • API চেক ভালভAPI চেক ভালভ

API চেক ভালভ

Jinqiu ভালভ উচ্চ মানের API চেক ভালভ ASME, API, এবং GB মান পূরণ করে। উন্নত CNC মেশিনিং সেন্টার এবং ধাতু কাটার সরঞ্জাম দিয়ে সজ্জিত, কোম্পানিটি পণ্যের নকশা এবং উত্পাদনে CAD/CAM প্রযুক্তি ব্যবহার করে, ISO9001 মান মেনে চলে তার API চেক ভালভ অংশগুলির নির্ভুলতা এবং গুণমান নিশ্চিত করতে।

Jinqiu ভালভ, চীনের একটি পেশাদার চেক ভালভ প্রস্তুতকারক, আমাদের API চেক ভালভ সম্পূর্ণরূপে আমেরিকান মান অনুযায়ী ডিজাইন এবং তৈরি করা হয়। এই ভালভ একটি নান্দনিকভাবে আনন্দদায়ক গঠন এবং উন্নত প্রযুক্তি বৈশিষ্ট্য. এপিআই চেক ভালভ স্বয়ংক্রিয়ভাবে ব্যাকফ্লো প্রতিরোধ করতে মাঝারিটির প্রবাহের উপর ভিত্তি করে ভালভ ডিস্কটি স্বয়ংক্রিয়ভাবে খোলা এবং বন্ধ করে। এগুলি একমুখী ভালভ, চেক ভালভ বা ব্যাকফ্লো ভালভ নামেও পরিচিত। তাদের প্রধান কাজগুলি হল মাধ্যমের ব্যাকফ্লো প্রতিরোধ করা, পাম্প এবং ড্রাইভ মোটর রিভার্সাল প্রতিরোধ করা এবং পাত্রের ভিতরে মাধ্যমের ফুটো প্রতিরোধ করা।


1. নিম্ন প্রবাহ প্রতিরোধ: যখন API চেক ভালভ সম্পূর্ণরূপে খোলা থাকে, তখন প্রবাহ পথটি প্রায় অবরুদ্ধ থাকে, যার ফলে নিম্নচাপ কমে যায়।
2. দ্রুত বন্ধ এবং ব্যাকফ্লো প্রতিরোধ: ভালভ ডিস্কের লিভার অ্যাকশন ব্যাকফ্লো শুরুতেও দ্রুত প্রতিক্রিয়া এবং বন্ধ করার অনুমতি দেয়।
3. ব্যাপক প্রযোজ্যতা: পাইপ ব্যাসের বিস্তৃত পরিসরের জন্য উপযুক্ত, DN50 থেকে DN1200 এবং তার উপরে।

কর্মক্ষমতা পরামিতি

সিরিয়াল নম্বর প্রকল্পের নাম প্যারামিটার
1 নামমাত্র চাপ PN (MPa) 150LB 300LB 600LB 900LB 1500LB 2500LB
2.0 5.0 10.0 15.0 25.0 42.0
2 শেল শক্তি পরীক্ষার চাপ ঘরের তাপমাত্রায় নামমাত্র চাপ 1.5 বার
3 উচ্চ চাপ সীল পরীক্ষা চাপ ঘরের তাপমাত্রায় নামমাত্র চাপ 1.1 বার
4 ঘরের তাপমাত্রায় কাজের চাপ ASME B16.34 চাপ এবং তাপমাত্রা রেটিং টিপুন

পণ্যের স্পেসিফিকেশন

নকশা মান কাঠামোর দৈর্ঘ্য ফ্ল্যাঞ্জ সংযোগের আকার পরীক্ষা এবং পরিদর্শন চাপ এবং তাপমাত্রা রেফারেন্স
API6D/ASME B16.34 ASME B16.10 ASME B16.5 API598/API6D ASME B16.34

প্রধান অংশ উপাদান

অংশের নাম উপাদানের নাম
শরীর A216 WCB A217 WC6 A351 CF8 A351 CF8M A351 CF3 A351 CF3M
টুপি A216 WCB A217 WC6 A351 CF8 A351 CF8M A351 CF3 A351 CF3M
ভালভ প্লেট A216 WCB A217 WC6 A351 CF8 A351 CF8M A351 CF3 A351 CF3M
সিলিং পৃষ্ঠ 13Cr/STL STL বডি/এসটিএল বডি/এসটিএল বডি/এসটিএল বডি/এসটিএল
ভালভ খাদ A182 F6a A182 F11 A182 F304 A182 F316 A182 F304L A182 F316L
গ্যাসকেট নমনীয় গ্রাফাইট নমনীয় গ্রাফাইট নমনীয় গ্রাফাইট নমনীয় গ্রাফাইট নমনীয় গ্রাফাইট নমনীয় গ্রাফাইট
বল্টু A193 B7 A193 B16 A193 B8 A193 B8M A193 B8 A193 B8M
বাদাম A194 2H A194 4 A194 8 A194 8M A194 8 A194 8M
অপারেটিং তাপমাত্রা -29~425℃ -29~540℃ -46~425℃ -46~425℃ -46~425℃ -46~425℃
উপযুক্ত মিডিয়া বাষ্প বাষ্প দুর্বল ক্ষয়কারী দুর্বল ক্ষয়কারী দুর্বল ক্ষয়কারী দুর্বল ক্ষয়কারী

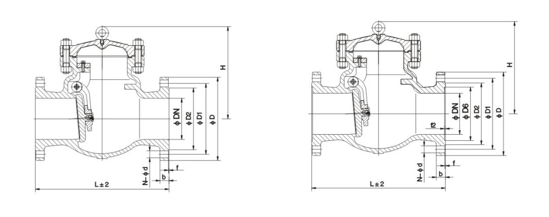
প্রধান আকৃতি এবং সংযোগ মাত্রা

নামমাত্র ব্যাস আকার
m মধ্যে L D D1 D2 b f n-Φd H
H44H-150Lb
50 2 203 152 120.5 92 16 1.6 4-19 180
80 3 241 192 152.5 127 19 1.6 4-19 190
100 4 297 229 190.5 157 24 1.6 8-19 203
125 5 330 254 216 186 24 1.6 8-22 229
150 6 356 279 241.5 216 26 1.6 8-22 257
200 8 495 342 298.5 270 29 1.6 8-22 292
250 10 622 406 362 324 31 1.6 12-25 355
300 12 698 483 432 381 32 1.6 12-25 396
H44H-300Lb
50 2 267 165 127 92 23 1.6 8-19 178
80 3 318 210 168.5 127 29 1.6 8-22 216
100 4 356 254 200 157 32 1.6 8-22 241
125 5 400 279 235 186 35 1.6 8-22 267
150 6 444 318 270 216 37 1.6 12-22 305
200 8 533 381 330 270 42 1.6 12-25 368
250 10 622 445 387 324 48 1.6 16-29 394
300 12 711 521 451 381 51 1.6 16-32 445
H44H-600Lb
50 2 295 165 127 92 33 6.4 8-19 203
80 3 359 210 168 127 36 6.4 8-22 235
100 4 435 273 216 157 45 6.4 8-25 286
125 5 511 330 266.5 186 52 6.4 8-29 292
150 6 562 356 292 216 55 6.4 12-29 330
200 8 664 419 349 270 63 6.4 12-32 381
250 10 791 510 432 324 71 6.4 16-35 457
300 12 842 559 489 381 74 6.4 20-35 584

কাঠামোর ছবি

হট ট্যাগ: API চেক ভালভ, চীন, কাস্টমাইজড, গুণমান, টেকসই, উন্নত, প্রস্তুতকারক, সরবরাহকারী, কারখানা, স্টকে
অনুসন্ধান পাঠান
যোগাযোগের তথ্য
  • ঠিকানা

    নং 1, নর্থ 1 ম রোড, স্টেইনলেস স্টিল নিউ টাউন, লেকং স্টিল ওয়ার্ল্ড ওয়েস্ট রোড, শুন্ডে জেলা, ফোশান সিটি, গুয়াংডং প্রদেশ, চীন

  • টেলিফোন

    +86-757-28788895

  • ই-মেইল

    jinqiufamen@gmail.com

গেট ভালভ, গ্লোব ভালভ এবং চেক ভালভ বা মূল্য তালিকা সম্পর্কে অনুসন্ধানের জন্য, দয়া করে আপনার ইমেলটি আমাদের কাছে ছেড়ে দিন এবং আমরা 24 ঘন্টার মধ্যে যোগাযোগ করব।

X
আমরা আপনাকে একটি ভাল ব্রাউজিং অভিজ্ঞতা দিতে, সাইটের ট্র্যাফিক বিশ্লেষণ করতে এবং সামগ্রী ব্যক্তিগতকৃত করতে কুকিজ ব্যবহার করি। এই সাইটটি ব্যবহার করে, আপনি আমাদের কুকিজ ব্যবহারে সম্মত হন। গোপনীয়তা নীতি
প্রত্যাখ্যান করুন গ্রহণ করুন