পণ্য
জিবি স্ট্যান্ডার্ড গ্লোব ভালভ
  • জিবি স্ট্যান্ডার্ড গ্লোব ভালভজিবি স্ট্যান্ডার্ড গ্লোব ভালভ

জিবি স্ট্যান্ডার্ড গ্লোব ভালভ

উচ্চ মানের এবং কাস্টমাইজড J41H, J41Y, এবং J41W টাইপ GB স্ট্যান্ডার্ড গ্লোব ভালভগুলি চীনের একটি পেশাদার ভালভ প্রস্তুতকারক JQF ভালভ দ্বারা নির্মিত। তাদের খোলার এবং বন্ধ করার অংশগুলি হল নলাকার ভালভ ডিস্ক, এবং সিলিং পৃষ্ঠ হয় সমতল বা শঙ্কুযুক্ত। ভালভ ডিস্কগুলি তরল কেন্দ্ররেখা বরাবর রৈখিকভাবে সরে যায়। জিবি স্ট্যান্ডার্ড গ্লোব ভালভগুলি শুধুমাত্র সম্পূর্ণরূপে খোলা বা সম্পূর্ণরূপে বন্ধ অ্যাপ্লিকেশনের জন্য উপযুক্ত এবং সাধারণত প্রবাহ নিয়ন্ত্রণের জন্য ব্যবহৃত হয় না, তবে গ্রাহকের চাহিদা অনুযায়ী প্রবাহ নিয়ন্ত্রণ এবং থ্রটলিং করা যেতে পারে।
Foshan Jinqiu Valve Co., Ltd. is a manufacturing factory integrating valve R&D, manufacturing, sales, and service. Our durable GB standard globe valves are specifically designed for oxygen pipelines, ensuring safe, stable, and efficient operation. Made from high-quality materials and undergoing rigorous degreasing and cleaning processes, these valves effectively prevent combustion risks and guarantee reliable sealing performance.

স্টকে থাকা GB স্ট্যান্ডার্ড গ্লোব ভালভ PN1.6-PN16 এর চাপের রেঞ্জ এবং DN15-DN400 আকারের জন্য উপযুক্ত, এগুলি সর্বদা ধাতুবিদ্যা, রাসায়নিক, চিকিৎসা গ্যাস এবং শক্তি শিল্পে ব্যবহৃত হয়।

কাঠামোগত বৈশিষ্ট্য

আমরা ক্রমাগত উদ্ভাবন করি এবং উৎকর্ষ সাধন করি, সময়ের সাথে তাল মিলিয়ে তার উচ্চ-মানের GB স্ট্যান্ডার্ড গ্লোব ভালভ এবং অসামান্য গ্রাহক পরিষেবা! আমরা সক্রিয়ভাবে উন্নত সরঞ্জাম, এন্টারপ্রাইজ ম্যানেজমেন্ট, এবং প্রযুক্তিগত পরিষেবা কর্মীদের পরিচয় করিয়ে দিই, একটি উচ্চ-মানের দেশীয় এবং আন্তর্জাতিক ভালভ ব্র্যান্ড তৈরি করার চেষ্টা করছি। আমরা নতুন এবং পুরানো গ্রাহকদের স্বাগত জানাই আমাদের সুবিধাগুলি পরিদর্শন করতে, পারস্পরিক সুবিধার জন্য সহযোগিতা করতে এবং যৌথভাবে একটি ভাল ভবিষ্যত তৈরি করতে!

এক্সিকিউটিভ স্ট্যান্ডার্ড

ডিজাইন স্পেসিফিকেশন: GB/T 12235
কাঠামোর দৈর্ঘ্য: GB/T 12221
ফ্ল্যাঞ্জ সংযোগ: JB/T 79
পরীক্ষা এবং পরিদর্শন: JB/T 9002
পণ্য সনাক্তকরণ: GB/T 12220
ডেলিভারি স্পেসিফিকেশন: JB/T 7928

বৈশিষ্ট্য

1. সুবিন্যস্ত এবং অপ্টিমাইজ করা কাঠামো: একটি সরলীকৃত নকশা উপাদান উত্পাদন এবং সরঞ্জাম রক্ষণাবেক্ষণের দক্ষতা 30% দ্বারা উন্নত করে। 2. তাত্ক্ষণিক খোলার এবং বন্ধ করার নিয়ন্ত্রণ: মাইক্রো-স্ট্রোক কাঠামোর নকশা প্রতি চক্রে 0.8 সেকেন্ডের একটি খোলার এবং বন্ধ করার প্রতিক্রিয়া গতি অর্জন করে। 3. দীর্ঘস্থায়ী সিলিং সিস্টেম: স্ব-তৈলাক্তকরণ সিলিং পৃষ্ঠ প্রযুক্তি একটি অতি-নিম্ন ঘর্ষণ সহগ অর্জন করে; যৌগিক সিলিং স্তরটির একটি অ্যান্টি-এজিং জীবনকাল 50,000 খোলার এবং বন্ধ করার চক্রের বেশি।

কর্মক্ষমতা পরামিতি

মডেল J41H-16C~160C J41Y-16C~160C J41W-16P~160P
কাজের চাপ (MPa) 1.6-16.0
সঠিক তাপমাত্রা (℃) ≤425 ≤150
উপযুক্ত মিডিয়া জল, বাষ্প, তেল দুর্বল ক্ষয়কারী মাধ্যম
উপাদান বডি, বনেট কার্বন ইস্পাত ক্রোম নিকেল-টাইটানিয়াম স্টেইনলেস স্টীল
ভালভ স্টেম ক্রোম স্টেইনলেস স্টীল ক্রোম নিকেল-টাইটানিয়াম স্টেইনলেস স্টীল
সিলিং পৃষ্ঠ সারফেসিং লোহা-ভিত্তিক অ্যালয় হার্ডফেসিং খাদ শরীরের উপাদান
ফিলার অ্যাসবেস্টস গ্রাফাইট, নমনীয় গ্রাফাইট, PTFE

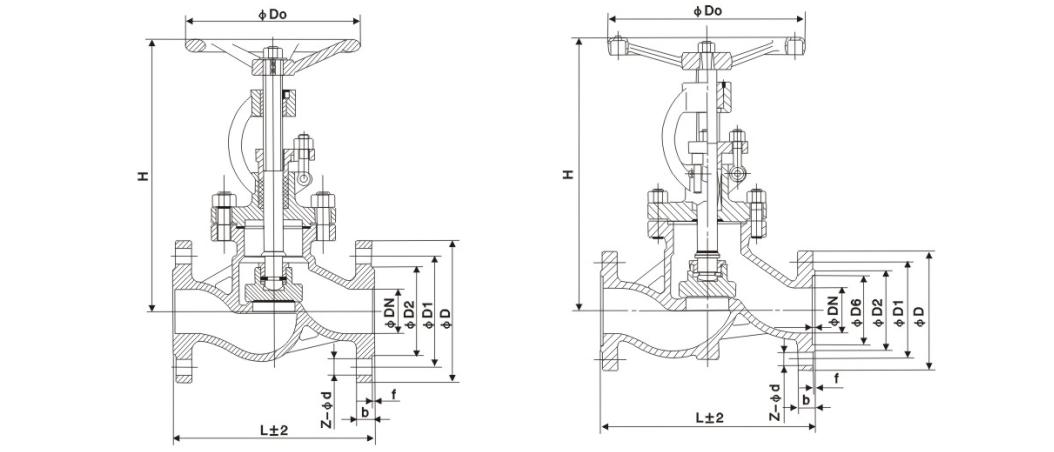
প্রধান আকৃতি এবং সংযোগ আকার

নামমাত্র ব্যাস প্রধান মাত্রা এবং সংযোগ মাত্রা
L D D1 D2 b Z-d H D0
J41H-16C
15 130 95 65 45 14-2 4-Φ14 170 120
20 150 105 75 55 14-2 4-Φ14 190 140
25 160 115 85 65 14-2 4-Φ14 205 160
32 180 135 100 78 16-2 4-Φ18 270 180
40 200 145 110 85 16-3 4-Φ18 310 200
50 230 160 125 100 16-3 4-Φ18 358 240
65 290 180 145 120 18-3 4-Φ18 373 240
80 310 195 160 135 20-3 8-Φ18 435 280
100 350 215 180 155 20-3 8-Φ18 500 300
125 400 245 210 185 22-3 8-Φ18 614 320
150 480 280 240 210 24-3 8-Φ23 674 360
200 600 335 295 265 26-3 12-Φ23 811 400
250 650 405 355 320 30-3 12-Φ25 969 450
300 750 460 410 375 30-3 12-Φ25 1145 580
350 850 520 470 435 34-4 16-Φ25 1280 640
400 980 580 525 485 36-4 16-Φ30 1452 640
J41H-25C
15 130 95 65 45 16-2 4-Φ14 170 120
20 150 105 75 55 16-2 4-Φ14 190 140
25 160 115 85 65 16-2 4-Φ14 205 160
32 180 135 100 78 18-2 4-Φ18 270 180
40 200 145 110 85 18-3 4-Φ18 310 200
50 230 160 125 100 20-3 4-Φ18 358 240
65 290 180 145 120 22-3 8-Φ18 373 240
80 310 195 160 135 22-3 8-Φ18 435 280
100 350 230 190 160 24-3 8-Φ23 500 300
125 400 270 220 188 28-3 8-Φ25 614 320
150 480 300 250 218 30-3 8-Φ25 674 360
200 600 360 310 278 34-3 12-Φ25 811 400
250 650 425 370 332 36-3 12-Φ30 969 450
300 750 485 430 390 40-4 16-Φ30 1145 580
350 850 550 490 448 44-4 16-Φ34 1280 640
400 980 610 550 505 48-4 16-Φ34 1452 640

কাঠামোর ছবি

হট ট্যাগ: জিবি স্ট্যান্ডার্ড গ্লোব ভালভ, চীন, কাস্টমাইজড, গুণমান, টেকসই, উন্নত, প্রস্তুতকারক, সরবরাহকারী, কারখানা, স্টক
অনুসন্ধান পাঠান
যোগাযোগের তথ্য
  • ঠিকানা

    নং 1, নর্থ 1 ম রোড, স্টেইনলেস স্টিল নিউ টাউন, লেকং স্টিল ওয়ার্ল্ড ওয়েস্ট রোড, শুন্ডে জেলা, ফোশান সিটি, গুয়াংডং প্রদেশ, চীন

  • টেলিফোন

    +86-757-28788895

  • ই-মেইল

    jinqiufamen@gmail.com

গেট ভালভ, গ্লোব ভালভ এবং চেক ভালভ বা মূল্য তালিকা সম্পর্কে অনুসন্ধানের জন্য, দয়া করে আপনার ইমেলটি আমাদের কাছে ছেড়ে দিন এবং আমরা 24 ঘন্টার মধ্যে যোগাযোগ করব।

X
আমরা আপনাকে একটি ভাল ব্রাউজিং অভিজ্ঞতা দিতে, সাইটের ট্র্যাফিক বিশ্লেষণ করতে এবং সামগ্রী ব্যক্তিগতকৃত করতে কুকিজ ব্যবহার করি। এই সাইটটি ব্যবহার করে, আপনি আমাদের কুকিজ ব্যবহারে সম্মত হন। গোপনীয়তা নীতি
প্রত্যাখ্যান করুন গ্রহণ করুন